Встраиваемый магнитный трек в натяжной ПВХ потолок Crystal Lux CLT 0.134 01 L3000 BL
Встраиваемый магнитный трек в натяжной ПВХ потолок Crystal Lux CLT 0.134 01 L3000 BL
12 300 ₽
Код: 1407/029
- Артикул:
- CLT 0.134 01 L3000 BL
- Штрихкод:
- 8400000114226
Доступное количество: 145
Ожидается: Да
Телефоны: +7 (495) 363 74-88, +7 (903) 363 74-88 (только для юр. лиц)
Характеристики
- Коллекция
- — SPACE
- Стиль
- — Хай-тек
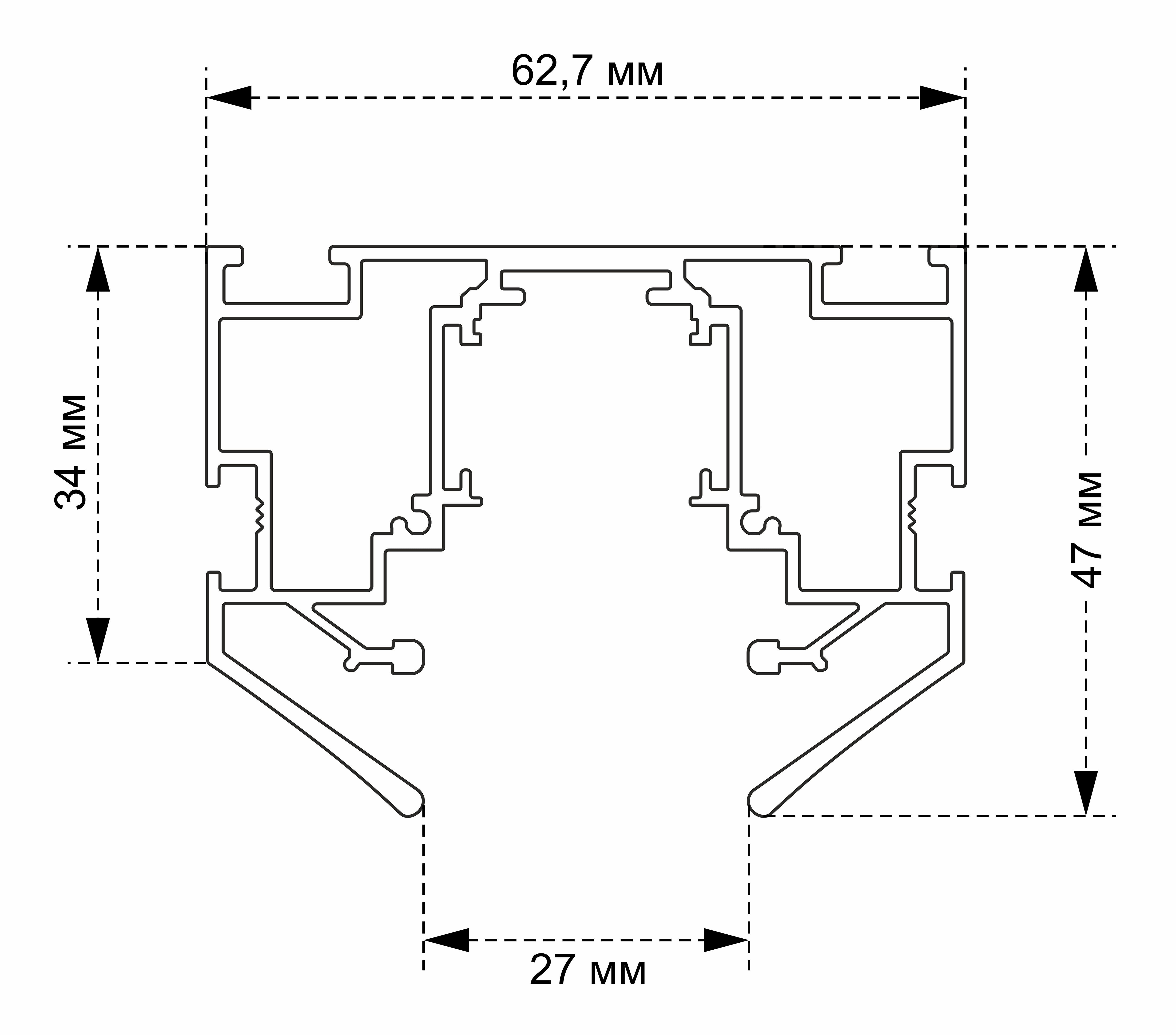
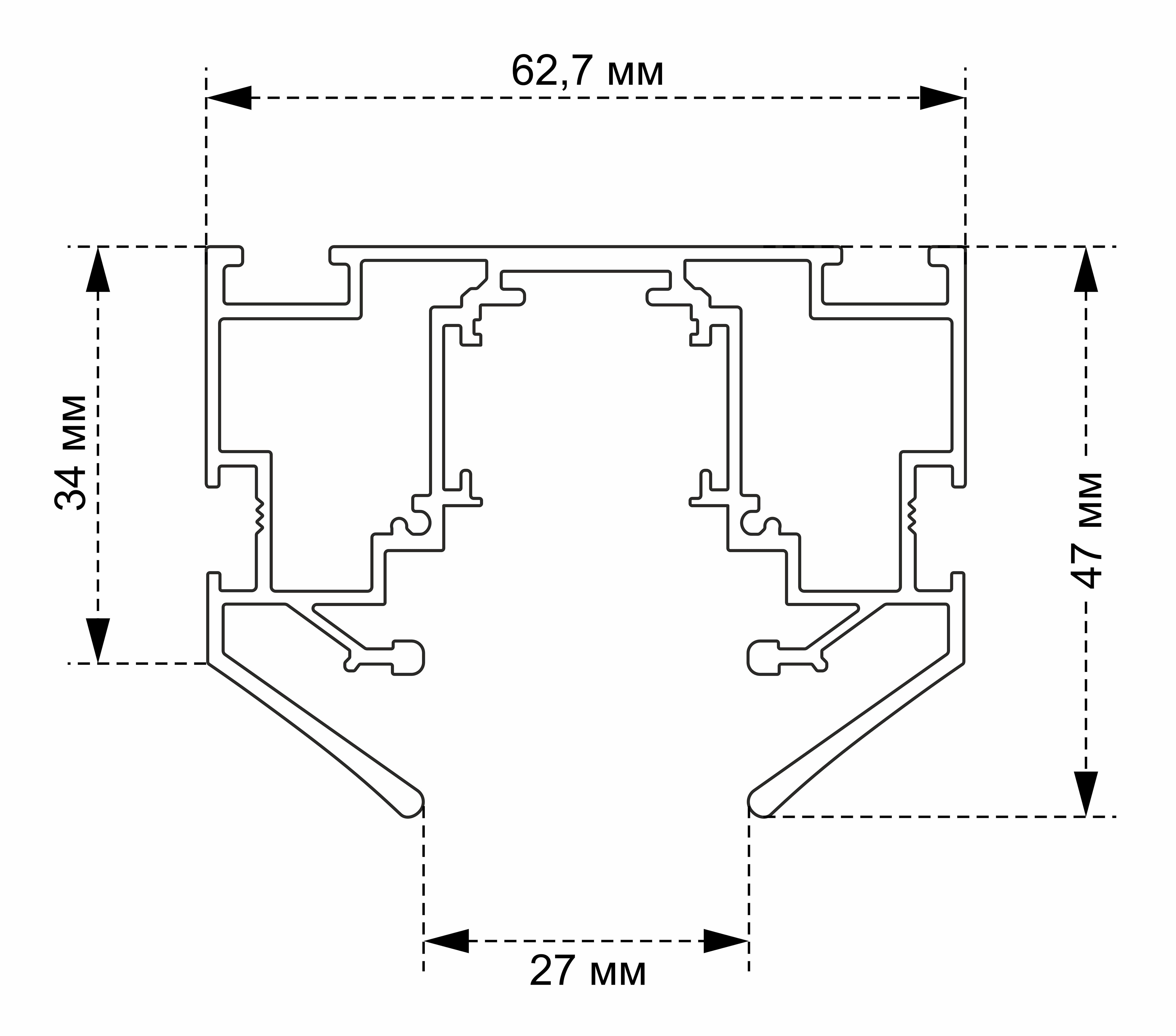
- Длина, мм
- — 3000
- Высота изделия, мм
- — 45.21
- Ширина, мм
- — 55.01
- IP
- — 20
- Вес
- — 4.020
- Объём
- — 0.0117
- Материал арматуры
- — Алюминий
- Цвет арматуры
- — Черный
- Пульт
- — нет
- Тип
- — Встраиваемый магнитный трек в натяжной ПВХ потолок.
- Страна бренда
- — Испания
- Срок гарантии
- — 3 года
- Длина коробки
- — 300.0
- Особенности модели
- — Быстрый монтаж натяжного потолка ПВХ в гарпун, ровная поверхность, плотное прилегание полотна натяжного потолка. Для установки натяжного ПВХ полотна необходима дополнительня комплектация CLT 0.234 07 BL в количестве 6 шт Модицификация трека 2026 года - добавились внутренние декоративные вставки, которые закрывают паз крепления натяжного полотна. В модификации трека 2025 года этого элемента нет и не предполагается.
- Дополнительная информация
- — Производитель вправе вносить улучшения в конструкцию и технологию производства без предварительного уведомления, если это не ухудшает технические характеристики. Внешний вид товара может незначительно отличаться от фото в каталоге из‑за особенностей полиграфии, цветопередачи и различий между партиями.

